铝合金后背门的开发与应用...
陕汽395拉式重卡轻量化离合器项目...
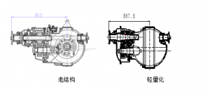
轻量化驱动桥产品设计开发...
碳纤维增强热塑性复合材料汽车横梁研制...
全铝客车车身骨架项目...
薄壁化保险杠用高性能聚丙烯材料关键技术开发及应用...
卡车轻量化镂空前轴应用开发项目...
轻量化铝合金前防撞梁总成设计开发...
汽车电线束轻量化材料及关键技术的开发应用...
集成一体化高压充配电总成设计...
轻量化铝合金发动机罩的开发与应用...
锻造铝合金控制臂...
高强度复合材料在前下防护上的应用...
高效四驱电驱动系统研发及应用...
参评技术:高强高韧球墨铸铁在卡车底盘上的应用研究...
高性能轻量化尼龙悬置支架...